C type PIN type
SCREW type
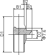
Roller No. D1 D2 B1 B2 B3
C-19P 19 5 6.6 1.6 3.5
C-22P 22 5 6.6 1.6 3.5

 Depend on a stock position, minimum quantity might be applied for few models.
Made in Japan


MATEX SEIKO & CO., LTD.  2-3-9, Nihonbashi-higashi
Naniwa-ku, Osaka 556-0006 JAPAN
Tel: 6-6648-6801    Fax: 6-6648-6811