Urethane Tired Bearing


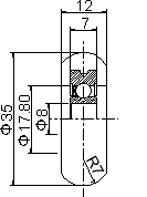
【PCR350 RU OP】



1. L/C=Load Capacity at 300 r.p.m. (kg).

2. Depend on a stock position, minimum quantity might be applied for few models.
Made in Japan


MATEX SEIKO & CO., LTD.  2-3-9, Nihonbashi-higashi
Naniwa-ku, Osaka 556-0006 JAPAN
Tel: 6-6648-6801    Fax: 6-6648-6811